高等学校の教科書・教材|知が啓く。教科書の啓林館
理科

大容量コンデンサーの生徒実験について

愛知県立豊橋西高等学校 千葉 遼

1 はじめに

本校では,大容量コンデンサーを用いた生徒実験を毎年3年生を対象に行ってきた。この実験は教科書にも掲載されていて,広く知られている生徒実験であるが,実験をする上で次の2点が課題であった。

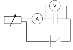
本研究で扱う大容量コンデンサーの実験について述べる。図1(a)や(b)のように抵抗とコンデンサーを直列につないだ回路(RC回路)において,電流𝐼と時間𝑡の関係が(c)の実線のような曲線の関係になること,𝐼-𝑡の面積は流れた電気量(=本実験ではコンデンサーが蓄えた電気量)を表すこと,蓄えた電気量𝑄とコンデンサーの電圧𝑉の間に𝑄=𝐶𝑉の関係(𝐶は電気容量という)があることを授業で学習する。生徒が行う実験は,(a)や(b)のような回路を組み,電流と時刻の関係をグラフに表し,グラフの面積を求めて,電圧の変化から電気容量を求めるというものである。
ここで,(c)の曲線は指数関数であるため,電流𝐼の自然対数値logeIと時刻𝑡は(d)のような一次関数の関係にある。高等学校の範囲では,(c)のグラフの形状については扱うが,電流と時刻の関係が指数関数であることまでは学習しない。本校では発展的な内容として,回路を流れる電流について微分方程式を立て,その解が指数関数であることを生徒に示している。

図1

2 研究の目的

本研究では,先述の課題の改善を図り,電流と時間の関係が指数関数であることについて考察し,コンデンサーを含む回路の現象に興味を持ち,理解を深めることを目的とする。

3 研究の方法

本研究は,次のような方法をとった。

4 研究内容

(1) 実験手順の見直し

資料1は,電流と時間の関係を表すグラフを描き,グラフからコンデンサーに蓄えられた電気量𝛥𝑄を求める実験の手順である。

【資料1】

[準備]コンデンサー(電気容量1F),電池(1.5V),電流計,電圧計,可変抵抗器(30Ω),リード線,ストップウォッチ,電卓,工作用紙(4人で1枚),電子天秤(全員で2台,1/100gまで測定できるもの)【図2】

  1. ① 回路を組み立てる。
  2. ② 3~4人1組で,時間を計る係,電流計の値を読みとる係,電圧計の値を読み取る係,記録する係(3人の場合は,計器を読む係が記録係を兼ねる)を分担する。
  3. ③ 電流を流し始めてからの時間と電流,電圧を5秒ごとに60秒間にわたって記録する。【図3】
  4. ④ 電流-時間を表すグラフを工作用紙に描く。【図4】
  5. ⑤ 工作用紙からグラフ部分を切り抜き,電子天秤で質量を図って面積とコンデンサーが蓄えた電気量(=回路を流れた電気量)𝛥𝑄を求める。
図2

図 2

図3

図 3

図4

図 4

工作用紙の質量を量って面積を求める手法をとったところ,ほとんど全員が時間内で結果を出すことができ,また表1のように高い精度で電気量を求めることができた。以前は,図5のように,得られたグラフを長方形に区切って,それぞれの面積を足し合わせて面積を求めていたため,計算量が多く,1時間で結果まで出せなかった。工作用紙を用いることによって,短時間でかつ高い精度で結果が得られた。

図5

表1

(2) グラフについての考察

得られたI-tグラフの考察として,logeI-tグラフを描かせ,プロットが直線の上に乗っていれば,I-tグラフが指数関数であると判断させた。logeIの計算には図6のようにプリントの裏面に自然対数表を印刷した。本実験では,回路を流れる電流の最大値が50mA程度なので,パソコンや電卓がなくとも簡単に自然対数値を得ることができ,また図7のように直線が得られた。

図6

図 6

図7

図 7

(3) パフォーマンス課題電気容量の測定

パフォーマンス課題として,「コンデンサーの放電曲線の作成と電気容量の測定」を課した。大容量コンデンサーの電気容量測定は,テスターやLCRメーターでは測定できず,メーカーでも本実験に類似した方法で測定しており[1],まさに「知識やスキルを,リアルな文脈の中で組み合わせて使いこなすことを求めるような課題」である[2]と考えられる。課題の設定に当たっては,コンデンサーが放電するような回路を自ら考え,実験によって身に付けた電気量𝛥𝑄を求める手法と,電気量と電気容量,電圧の関係式𝑄=𝐶𝑉の知識を組み合わせて,電気容量𝐶を求めるようにした。

表2

表 2

表2のように,課題に取り組んだ39名中23名が電気容量を求めることができていた。また,表3のようにほとんどの班で1F に近い値が求められていた。「放電についての曲線を描くことができる」でレベル3に達していない理由で最も多かったものは,時間が足りないためであった。「電気容量を求められる」でレベル3に達しなかった理由として最も多かったのは,電気容量𝐶を求める際,流れた電気量𝛥𝑄を60秒間電圧の変化𝛥𝑉で割るところ,初期状態の電圧で割ってしまっていたためであった。また,レベル1であったものは,工作用紙にグラフを正しく描けていなかったり,𝐶 = 𝛥𝑄・𝛥𝑉 と計算していたりするものであった。

表3

表 3

パフォーマンス課題では,回路図を与えなかったため,ほとんどの班で15分以上回路を組むのに時間を費やすなど,予想以上に時間がかかったものの50分の授業時間でほとんど全員が電気容量の計算まで終わらせることができた。

5 研究のまとめと今後の課題

資料2は,実験プリントに記載された生徒の感想の代表的なものである。質量から面積を測定することについては,実験中でも電気量が計算できた生徒から「面白い」という声が聞こえてきたほどであった。物理と数学との関係については,筆者が「数学は科学的な思考をする上で大切なツールでもある」と日頃の授業でも伝えてきた。実験を行い数学的な処理を取り入れることで,科学的な思考力を高められたと考えられる。本実験では曲線が得られるが,一見指数関数の関係にあるのか,反比例の関係にあるのか,などが分からない。そこで,自然対数のグラフを用いることで,曲線が指数関数かどうか判断でき,正しく実験が進められたかどうかの指標にもできると考えられる。

【資料2】生徒の感想

  • ● 実際に変化していく数値を読み取って,そのデータからグラフを描くことによって,なぜこのグラフがこの形になるか式でなく実験から分かることができました。面積の出し方も,グラフを切り取り,重さから求めるという,今までにやったことのなかった測定法で,とても面白かったです。
  • ● 微分が出たり,自然対数が出たり,物理と数学はとても密接に関係していると思った。
  • ● 点が直線にほぼ直線に乗っているので,けっこう正しく実験できたと思います。

本実験は,大容量コンデンサー(1Fのものが数百円で入手できるなど)と電流計,電圧計,ストップウォッチがあれば,手軽に行うことができる。また,班で役割分担して実験を行う必要があることから,協同して実験を進める力を養うことも期待できる。また,状況に応じて,発展的な内容を扱うこともできる。
それゆえに,高度な内容を扱うために,生徒が行っている実験がどのような位置付けにあるのか,最低限何を身に付けなければならないのかを示さなければならないと感じた。

【資料3】

図のようなコンデンサーと抵抗を直列に接続した回路がある。コンデンサーの電気容量は𝐶〔F〕,可変抵抗の抵抗値はR〔Ω〕,電池の電圧はE〔V〕とし,電池の内部抵抗は無視できるものとする。このとき,以下の問いに答えよ。はじめ,コンデンサーに電荷は蓄えられていないものとする。

  1. (1) Sを入れてから十分時間が経過したとき,コンデンサーの両端に蓄えられている電気量𝑄〔C〕とコンデンサーの電圧𝑉〔V〕を求めよ。
  2. (2) Sを入れてから十分時間が経過するまでに,(a)電流の強さ𝐼〔A〕と時間𝑡〔s〕,(b)コンデンサーの電圧𝑉〔V〕と時間𝑡〔s〕の関係を表すグラフを描け。

資料3に示すようなテストを12月に行った。このテストのうち,(2)(a)が実験で扱った内容であるが,正解者は40名中10名の生徒だけであった。実験で身に付けたスキルや知識が定着しているとは考えにくい。時期を選んで,実験とパフォーマンス課題を行うなど,持続的にスキルや知識を生かすようにすることが今後の課題である。

参考資料