物理授業実践記録
コンデンサー あなたならどうする
三重県立神戸高等学校
前田茂穂
 
1 はじめに

 「こんな実験ができたらいいのに」と思ったことがありませんか.
 ここでは,少しでも物理の原理が明らかになるような実験装置を取り上げてみたい.
 
2.Q=CV の実験

 これまでの Q=CVの 実験は,電流値が一定にならないので生徒にとってわかりにくい実験であった.
 この実験方法は,電流の定義 Q=It,コンデンサーの電気量 Q=CV より,Q と V の関係を求める実験である.

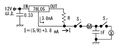
図1 定電流回路

図2 Q=CVの実験装置

準備物:直流電源,定電流装置,コンデンサー(電気二重層5.5V 1F),スイッチ,電流計,デジタルテスター

 図1に3端子レギュレーターを使った定電流回路(参考文献 1)を示す.定電流 I は,レギュレーターの出力電圧と R によって定まる電流値にレギュレーターの自己消費電流を加算したものである.また,Q=CVの実験装置を図2に示す.
 スイッチ S1 を閉じコンデンサーを10秒間充電する.スイッチ S1 を開き,スイッチ S2 を閉じコンデンサーの電圧を測定する.
 図3に示すようにグラフから Q は,V に比例していることがわかる.
 I=50mA の場合:電流による電気量 Q=It=5.0[C]
         静電容量による電気量 Q=CV=4.5[C]
両者の差儔=0.5c は電圧計,スイッチングによるロス,コンデンサーの静電容量の誤差である.


図3 コンデンサー1FのQ−V図 

 
3.コンデンサーの極板間の引力

 電荷が蓄えられたコンデンサーの極板間に働く力が QE になることを実験で確認する.
 この実験方法は,高電圧(15kV)を用いてコンデンサーの極板間の引力を測定する.
準備物:高電圧直流電源装置,コンデンサー板(アルミ板2枚),はかり(200g重)
 図4に示すように質量がmで面積が等しい2枚のアルミ板 A,B がある.アルミ板 A をはかりに固定し,もう一枚のアルミ板 B を鉄製スタンドに固定した.最初アルミ板 A,B に電荷はなくスイッチ S は開いていた.
(1) 次にスイッチ S を閉じ,可変抵抗で直流電圧を変えてゆくとアルミ板 A は,アルミ板 B に引き寄せられ,はかりの重さは減少し始める.このときの電気量 Q と引力 F との関係を調べる.実測値は,図5に示すように F=QE から少しずれている.また,極板間電圧が15kV以上になると空気放電が起き,F は QE から大きくずれる.

図4 コンデンサー板の引力


図5 電気量Qと引力Fとの関係

(2) また,アルミ板 A,B が十分近づくとアルミ板の先端で空中放電が起きる.すると瞬間的に電気量が Q/1000[C]となり,アルミ板 A は,はかりの弾性力により下降し始める.また,アルミ板 A,B に電荷が溜まり始めるとアルミ板 A はアルミ板Bとの静電気力により上昇を始める.このとき,図6に示すように弾性力とクーロン力の条件が成り立つと空中放電を伴ったパラメーター共振が起きる.


図6 パラメーター共振(左上方 先端放電)

 
4.コンデンサーを含む回路の実験

 抵抗値 R[Ω](20W〜40W)の電球1,電球2,電球3,電気容量 C=8200[μF],スイッチ S1,S2 とからなる図7に示すような回路がある.電池の起電力は E=141[V]であり内部抵抗は無視できる.はじめコンデンサーには電荷がないものとする.また,図8に実験装置を示す.
(本来は,コンデンサーと抵抗の問題であるが抵抗を電球に置き換え(時定数8200[μF]×250[Ω]=2秒),目で確認できるようにした.)

図7 コンデンサーを含む回路図

図8 コンデンサーを含む実験装置

 はじめ,スイッチ S2 は開いている.
問1 スイッチ S1 を入れた瞬間,電球1,電球2と電球3の明るさはどのように変化するか.
問2 十分時間が経過すると,電球1,電球2と電球3の明るさはどのようになるか.
問3 次にスイッチ S2 を入れた瞬間電球1,電球2と電球3の明るさはどのように変化するか.
問4 十分時間が経過すると,電球1,電球2と電球3の明るさはどのようになるか.
問5 次にスイッチ S2 を切った瞬間,電球1,電球2と電球3の明るさはどのようになるか.

 あえて正解は書きませんので,各自で考えて実験を行ってください.特に,瞬間現象は物理の先生でも落ち着いて考えないと合いません.

参考文献
1.図解 アナログICのすべて 白土義男 著 電機大出版局 1994.11.20